24小时服务热线
0391-7543530
气动盘式制动器
公司始终本着“ 敬业、求实、创新 ”的经营理念,坚持“ 质量上乘、信誉优先 ”的宗旨为广大用户提供质优产品和质优服务
当前位置:首页 > 产品中心 > 工业制动器 > 气动盘式制动器
发布日期:2023-06-15
产品描述:
在常规通用型产品的生产至新产品的研制,产品的品种至今以超过千余种,公司成立至始,始终以“勤、诚、信”的企业文化精神,赢得社会广大客户的支持和信任,造就了临瑞牌制动器等产品在各界广业树立了良好形象。
推荐产品:
我们会在24小时内回复您的信息,欢迎垂询!
SP系列气动失效保护制动器
QPN、CQPN系列气动钳盘式制动器
QPL-B(CQPL-B)系列气动钳盘式制动器
QPL-A(CQPL-A)系列气动钳盘式制动器
QP-D、CQP-D系列气动钳盘式制动器
QP-C系列气动钳盘式制动器
QP、CQP系列气动钳盘式制动器
PD系列气动钳盘式制动器
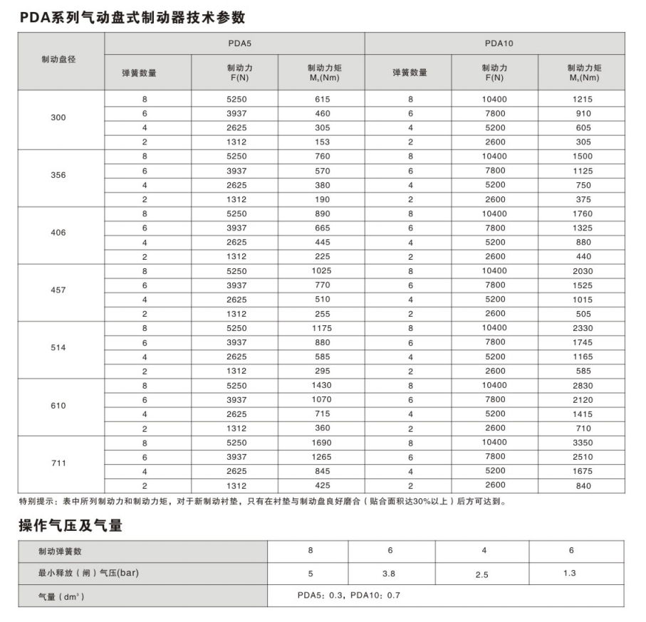
PDA系列气动盘式制动器
CQP-A/B/F系列气动钳盘式制动器
TOP
QQ客服
首页
电话
短信
位置